材料制品
|
H型钢(GB/T 11263—2017) |
|
|
|
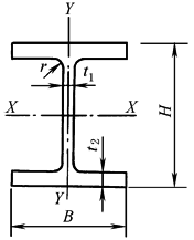
H———高度 B———宽度 t1———腹板厚度 标记:H后加高度×宽度×腹板厚度×翼缘厚度 t2———翼缘厚度 例如:H800×300×14×26 r———圆角半径 |
|
类别 |
型号 (高度×宽度)/mm×mm |
截面尺寸/mm |
截面 面积 /cm2 |
理论 质量 /(kg/m) |
表面积 m2/m |
惯性距/cm4 |
惯性半径/cm |
截面模数/cm3 |
|
|||||||
|
H |
B |
t1 |
t2 |
r |
Ix |
ix |
Iy |
iy |
Wx |
Wy |
|
|||||
|
HW ︵ 宽 翼 缘 型 ︶ |
100×100 |
100 |
100 |
6 |
8 |
8 |
21.58 |
16.9 |
0.574 |
378 |
134 |
4.18 |
2.48 |
75.6 |
26.7 |
|
|
125×125 |
125 |
125 |
6.5 |
9 |
8 |
30.00 |
23.6 |
0.723 |
839 |
293 |
5.28 |
3.12 |
134 |
46.9 |
||
|
150×150 |
150 |
150 |
7 |
10 |
8 |
39.64 |
31.1 |
0.872 |
1620 |
563 |
6.39 |
3.76 |
216 |
75.1 |
||
|
175×175 |
175 |
175 |
7.5 |
11 |
13 |
51.42 |
40.4 |
1.01 |
2900 |
984 |
7.50 |
4.37 |
331 |
112 |
||
|
200×200 |
200 |
200 |
8 |
12 |
13 |
63.53 |
49.9 |
1.16 |
4720 |
1600 |
8.61 |
5.02 |
472 |
160 |
||
|
200 |
204 |
12 |
12 |
13 |
71.53 |
56.2 |
1.17 |
4980 |
1700 |
8.34 |
4.87 |
498 |
167 |
|||
|
250×250 |
244 |
252 |
11 |
11 |
13 |
81.31 |
63.8 |
1.45 |
8700 |
2940 |
10.3 |
6.01 |
713 |
233 |
||
|
250 |
250 |
9 |
14 |
13 |
91.43 |
71.8 |
1.46 |
10700 |
3650 |
10.8 |
6.31 |
860 |
292 |
|||
|
250 |
255 |
14 |
14 |
13 |
103.6 |
81.6 |
1.47 |
11400 |
3880 |
10.5 |
6.10 |
912 |
304 |
|||
|
300×300 |
294 |
302 |
12 |
12 |
13 |
106.3 |
83.5 |
1.75 |
16600 |
5510 |
12.5 |
7.20 |
1130 |
365 |
||
|
300 |
300 |
10 |
15 |
13 |
118.5 |
93.0 |
1.76 |
20200 |
6750 |
13.1 |
7.55 |
1350 |
450 |
|||
|
300 |
305 |
15 |
15 |
13 |
133.5 |
105 |
1.77 |
21300 |
7100 |
12.6 |
7.29 |
1420 |
466 |
|||
|
350×350 |
338 |
351 |
13 |
13 |
13 |
133.3 |
105 |
2.03 |
27700 |
9380 |
14.4 |
8.38 |
1640 |
534 |
||
|
344 |
348 |
10 |
16 |
13 |
144.0 |
113 |
2.04 |
32800 |
11200 |
15.1 |
8.83 |
1910 |
646 |
|||
|
344 |
354 |
16 |
16 |
13 |
164.7 |
129 |
2.05 |
34900 |
11800 |
14.6 |
8.48 |
2030 |
669 |
|||
|
350 |
350 |
12 |
19 |
13 |
171.9 |
135 |
2.05 |
39800 |
13600 |
15.2 |
8.88 |
2280 |
776 |
|||
|
350 |
357 |
19 |
19 |
13 |
196.4 |
154 |
2.07 |
42300 |
14400 |
14.7 |
8.57 |
2420 |
808 |
|||
|
400×400 |
388 |
402 |
15 |
15 |
22 |
178.5 |
140 |
2.32 |
49000 |
16300 |
16.6 |
9.54 |
2520 |
809 |
||
|
394 |
398 |
11 |
18 |
22 |
186.8 |
147 |
2.32 |
56100 |
18900 |
17.3 |
10.1 |
2850 |
951 |
|||
|
394 |
405 |
18 |
18 |
22 |
214.4 |
168 |
2.33 |
59700 |
20000 |
16.7 |
9.64 |
3030 |
985 |
|||
|
400 |
400 |
13 |
21 |
22 |
218.7 |
172 |
2.34 |
66600 |
22400 |
17.5 |
10.1 |
3330 |
1120 |
|||
|
400 |
408 |
21 |
21 |
22 |
250.7 |
197 |
2.35 |
70900 |
23800 |
16.8 |
9.74 |
3540 |
1170 |
|||
|
414 |
405 |
18 |
28 |
22 |
295.4 |
232 |
2.37 |
92800 |
31000 |
17.7 |
10.2 |
4480 |
1530 |
|||
|
428 |
407 |
20 |
35 |
22 |
360.7 |
283 |
2.41 |
119000 |
39400 |
18.2 |
10.4 |
5570 |
1930 |
|||
|
458 |
417 |
30 |
50 |
22 |
528.6 |
415 |
2.49 |
187000 |
60500 |
18.8 |
10.7 |
8170 |
2900 |
|||
|
498* |
432 |
45 |
70 |
22 |
770.1 |
604 |
2.60 |
298000 |
94400 |
19.7 |
11.1 |
12000 |
4370 |
|||
|
500×500 |
492 |
465 |
15 |
20 |
22 |
258.0 |
202 |
2.78 |
117000 |
33500 |
21.3 |
11.4 |
4770 |
1440 |
||
|
502 |
465 |
15 |
25 |
22 |
304.5 |
239 |
2.80 |
146000 |
41900 |
21.9 |
11.7 |
5810 |
1800 |
|||
|
502 |
470 |
20 |
25 |
22 |
329.6 |
259 |
2.81 |
151000 |
43300 |
21.4 |
11.5 |
6020 |
1840 |
|||
|
HM ︵ 中 翼 缘 型 ︶ |
150×100 |
148 |
100 |
6 |
9 |
8 |
26.34 |
20.7 |
0.670 |
1000 |
150 |
6.16 |
2.38 |
135 |
30.1 |
|
|
200×150 |
194 |
150 |
6 |
9 |
8 |
38.10 |
29.9 |
0.960 |
2630 |
507 |
8.30 |
3.64 |
271 |
67.6 |
||
|
250×175 |
244 |
175 |
7 |
11 |
13 |
55.49 |
43.6 |
1.15 |
6040 |
984 |
10.4 |
4.21 |
495 |
112 |
||
|
300×200 |
294 |
200 |
8 |
12 |
13 |
71.05 |
55.8 |
1.35 |
11100 |
1600 |
12.5 |
4.74 |
756 |
160 |
||
|
298 |
201 |
9 |
14 |
13 |
82.03 |
64.4 |
1.36 |
13100 |
1900 |
12.6 |
4.80 |
878 |
189 |
|||
|
350×250 |
340 |
250 |
9 |
14 |
13 |
99.53 |
78.1 |
1.64 |
21200 |
3650 |
14.6 |
6.05 |
1250 |
292 |
||
|
400×300 |
390 |
300 |
10 |
16 |
13 |
133.3 |
105 |
1.94 |
37900 |
7200 |
16.9 |
7.35 |
1940 |
480 |
||
|
450×300 |
440 |
300 |
11 |
18 |
13 |
153.9 |
121 |
2.04 |
54700 |
8110 |
18.9 |
7.25 |
2490 |
540 |
||
|
500×300 |
482 |
300 |
11 |
15 |
13 |
141.2 |
111 |
2.12 |
58300 |
67600 |
20.3 |
6.91 |
2420 |
450 |
||
|
488 |
300 |
11 |
18 |
13 |
159.2 |
125 |
2.13 |
68900 |
8110 |
20.8 |
7.13 |
2820 |
540 |
|||
|
550×300 |
544 |
300 |
11 |
15 |
13 |
148.0 |
116 |
2.24 |
76400 |
6760 |
22.7 |
6.75 |
2810 |
450 |
||
|
550 |
300 |
11 |
18 |
13 |
166.0 |
130 |
2.26 |
89800 |
8110 |
23.3 |
6.98 |
3270 |
540 |
|||
|
600×300 |
582 |
300 |
12 |
17 |
13 |
169.2 |
133 |
2.32 |
98900 |
7660 |
24.2 |
6.72 |
3400 |
511 |
||
|
588 |
300 |
12 |
20 |
13 |
187.2 |
147 |
2.33 |
11400 |
9010 |
24.7 |
6.93 |
3890 |
301 |
|||
|
594 |
302 |
14 |
23 |
13 |
217.1 |
170 |
2.35 |
13400 |
10600 |
24.8 |
6.97 |
4500 |
700 |
|||
|
HN ︵ 窄 翼 缘 型 ︶ |
100×50 |
100 |
50 |
5 |
7 |
8 |
11.84 |
9.30 |
0.376 |
187 |
14.8 |
3.97 |
1.11 |
37.5 |
5.91 |
|
|
125×60 |
125 |
60 |
6 |
8 |
8 |
16.68 |
13.1 |
0.464 |
409 |
291 |
4.95 |
1.32 |
65.4 |
9.71 |
||
|
150×75 |
150 |
75 |
5 |
7 |
8 |
17.84 |
14.0 |
0.576 |
666 |
49.5 |
6.10 |
1.66 |
88.8 |
13.2 |
||
|
175×90 |
175 |
90 |
5 |
8 |
8 |
22.84 |
18.0 |
0.686 |
1210 |
97.5 |
7.25 |
2.06 |
138 |
21.7 |
||
|
200×100 |
198 |
99 |
4.5 |
7 |
8 |
22.68 |
17.8 |
0.769 |
1540 |
113 |
8.24 |
2.23 |
156 |
22.9 |
||
|
200 |
100 |
5.5 |
8 |
8 |
26.66 |
20.9 |
0.775 |
1810 |
134 |
8.22 |
2.23 |
181 |
26.7 |
|||
|
250×125 |
248 |
124 |
5 |
8 |
8 |
31.98 |
25.1 |
0.968 |
3450 |
255 |
10.4 |
2.82 |
278 |
41.1 |
||
|
250 |
125 |
6 |
9 |
8 |
36.96 |
29.0 |
0.974 |
3960 |
294 |
10.4 |
2.81 |
317 |
47.0 |
|||
|
300×150 |
298 |
149 |
5.5 |
8 |
13 |
40.80 |
32.0 |
1.16 |
6320 |
442 |
12.4 |
3.29 |
424 |
59.3 |
||
|
300 |
150 |
6.5 |
9 |
13 |
46.78 |
36.7 |
1.16 |
7210 |
508 |
12.4 |
3.29 |
481 |
67.7 |
|||
|
350×175 |
346 |
174 |
6 |
9 |
13 |
52.45 |
41.2 |
1.35 |
11000 |
791 |
14.5 |
3.88 |
638 |
91.0 |
||
|
350 |
175 |
7 |
11 |
13 |
62.91 |
49.4 |
1.36 |
13500 |
984 |
14.6 |
3.95 |
771 |
112 |
|||
|
400×150 |
400 |
150 |
8 |
13 |
13 |
70.37 |
55.2 |
1.36 |
18600 |
734 |
16.3 |
3.22 |
929 |
97.8 |
||
|
400×200 |
396 |
199 |
7 |
11 |
13 |
71.41 |
56.1 |
1.55 |
19800 |
1450 |
16.6 |
4.50 |
999 |
145 |
||
|
400 |
200 |
8 |
13 |
13 |
83.37 |
65.4 |
1.46 |
23500 |
1740 |
16.8 |
4.56 |
1170 |
174 |
|||
|
450×150 |
446 |
150 |
7 |
12 |
13 |
66.99 |
52.6 |
1.47 |
22000 |
677 |
18.1 |
3.17 |
985 |
90.3 |
||
|
450 |
151 |
8 |
14 |
13 |
77.49 |
60.8 |
1.65 |
25700 |
806 |
18.2 |
3.22 |
1140 |
107 |
|||
|
450×200 |
446 |
199 |
8 |
12 |
13 |
82.97 |
65.1 |
1.66 |
28100 |
1580 |
18.4 |
4.36 |
1260 |
159 |
||
|
450 |
200 |
9 |
14 |
13 |
95.43 |
74.9 |
1.50 |
32900 |
1870 |
18.6 |
4.42 |
1460 |
187 |
|||
|
475×150 |
470 |
150 |
7 |
13 |
13 |
71.53 |
56.2 |
1.52 |
26200 |
733 |
19.1 |
3.20 |
1110 |
97.8 |
||
|
475 |
151.5 |
8.5 |
15.5 |
13 |
86.15 |
67.6 |
1.53 |
31700 |
901 |
19.2 |
3.23 |
1330 |
119 |
|||
|
482 |
153.5 |
10.5 |
19 |
13 |
106.4 |
83.5 |
1.55 |
39600 |
1150 |
19.3 |
3.28 |
1640 |
150 |
|||
|
500×150 |
492 |
150 |
7 |
12 |
13 |
70.21 |
55.1 |
1.57 |
27500 |
677 |
19.8 |
3.10 |
1120 |
90.3 |
||
|
500 |
152 |
9 |
16 |
13 |
92.21 |
72.4 |
1.75 |
37000 |
940 |
20.0 |
3.19 |
1480 |
124 |
|||
|
504 |
153 |
10 |
18 |
13 |
103.3 |
81.1 |
1.58 |
41900 |
1080 |
20.1 |
3.23 |
1660 |
141 |
|||
|
500×200 |
496 |
199 |
9 |
14 |
13 |
99.29 |
77.9 |
1.75 |
40800 |
1840 |
20.3 |
4.30 |
1650 |
185 |
||
|
500 |
200 |
10 |
16 |
13 |
112.3 |
88.1 |
1.76 |
46800 |
2140 |
20.4 |
4.36 |
1870 |
214 |
|||
|
506 |
201 |
11 |
19 |
13 |
129.3 |
102 |
1.77 |
58500 |
2580 |
20.7 |
4.46 |
2190 |
257 |
|||
|
550×200 |
546 |
199 |
9 |
14 |
13 |
103.8 |
81.5 |
1.85 |
50800 |
1840 |
22.1 |
4.21 |
1860 |
185 |
||
|
550 |
200 |
10 |
16 |
13 |
117.3 |
92.0 |
1.86 |
58200 |
2140 |
22.3 |
4.27 |
2120 |
214 |
|||
|
600×200 |
596 |
199 |
10 |
15 |
13 |
117.8 |
92.4 |
1.95 |
66600 |
1980 |
23.8 |
4.09 |
2240 |
199 |
||
|
600 |
200 |
11 |
17 |
13 |
131.7 |
103 |
1.96 |
75600 |
2270 |
24.0 |
4.15 |
2520 |
227 |
|||
|
606 |
201 |
12 |
20 |
13 |
149.8 |
118 |
1.97 |
88300 |
2720 |
24.3 |
4.25 |
2910 |
270 |
|||
|
625×200 |
625 |
198.5 |
11.5 |
17.5 |
13 |
138.8 |
109 |
1.99 |
85000 |
2290 |
24.8 |
4.06 |
2720 |
231 |
||
|
630 |
200 |
13 |
20 |
13 |
158.2 |
124 |
2.01 |
97900 |
2680 |
24.9 |
4.11 |
3110 |
268 |
|||
|
638 |
202 |
15 |
24 |
13 |
186.9 |
147 |
2.03 |
118000 |
3320 |
25.2 |
4.21 |
3710 |
328 |
|||
|
650×300 |
646 |
299 |
10 |
15 |
13 |
152.8 |
120 |
2.43 |
110000 |
6690 |
26.9 |
6.61 |
3410 |
447 |
||
|
650 |
300 |
11 |
17 |
13 |
171.2 |
134 |
2.44 |
125000 |
7660 |
27.0 |
6.68 |
3850 |
511 |
|||
|
656 |
301 |
12 |
20 |
13 |
195.8 |
154 |
2.45 |
147000 |
9100 |
27.4 |
6.81 |
4470 |
605 |
|||
|
700×300 |
692 |
300 |
13 |
20 |
18 |
207.5 |
163 |
2.53 |
168000 |
9020 |
28.5 |
6.59 |
4870 |
601 |
||
|
700 |
300 |
13 |
24 |
18 |
231.5 |
182 |
2.54 |
197000 |
10800 |
29.2 |
6.83 |
5640 |
721 |
|||
|
750×300 |
734 |
299 |
12 |
16 |
18 |
182.7 |
143 |
2.61 |
161000 |
7140 |
29.7 |
6.25 |
4390 |
478 |
||
|
742 |
300 |
13 |
20 |
18 |
214.0 |
168 |
2.63 |
197000 |
9020 |
30.4 |
6.49 |
5320 |
601 |
|||
|
750 |
300 |
13 |
24 |
18 |
238.0 |
187 |
2.64 |
231000 |
10800 |
31.1 |
6.74 |
6150 |
721 |
|||
|
758 |
303 |
16 |
28 |
18 |
284.8 |
224 |
2.67 |
276000 |
13000 |
31.1 |
6.75 |
7270 |
859 |
|||
|
800×300 |
792 |
300 |
14 |
22 |
18 |
239.5 |
188 |
2.73 |
248000 |
9920 |
32.2 |
6.43 |
6270 |
661 |
||
|
800 |
300 |
14 |
26 |
18 |
263.5 |
207 |
2.74 |
286000 |
11700 |
33.0 |
6.66 |
7160 |
781 |
|||
|
850×300 |
834 |
298 |
14 |
19 |
18 |
227.5 |
179 |
2.80 |
251000 |
8400 |
3.2 |
6.07 |
6020 |
564 |
||
|
842 |
299 |
15 |
23 |
18 |
259.7 |
204 |
2.82 |
298000 |
10300 |
33.9 |
6.28 |
7080 |
687 |
|||
|
850 |
300 |
16 |
27 |
18 |
292.1 |
229 |
2.84 |
346000 |
12200 |
34.4 |
6.45 |
8140 |
812 |
|||
|
858 |
301 |
17 |
31 |
18 |
324.1 |
255 |
2.86 |
395000 |
14100 |
34.9 |
6.59 |
9210 |
939 |
|||
|
900×300 |
890 |
299 |
15 |
23 |
18 |
266.9 |
210 |
2.92 |
339000 |
10300 |
35.6 |
6.20 |
7610 |
687 |
||
|
900 |
300 |
16 |
28 |
18 |
305.8 |
240 |
2.94 |
404000 |
12600 |
36.4 |
6.42 |
8990 |
842 |
|||
|
912 |
302 |
18 |
34 |
18 |
360.1 |
293 |
2.97 |
491000 |
15700 |
36.9 |
6.59 |
10800 |
1040 |
|||
|
1000×300 |
970 |
297 |
16 |
21 |
18 |
276.0 |
217 |
3.07 |
393000 |
9210 |
37.8 |
5.77 |
8110 |
620 |
||
|
980 |
298 |
17 |
26 |
18 |
315.5 |
248 |
3.09 |
472000 |
11500 |
38.7 |
6.04 |
9630 |
772 |
|||
|
990 |
298 |
17 |
31 |
18 |
345.3 |
271 |
3.11 |
544000 |
13700 |
39.7 |
6.30 |
11000 |
921 |
|||
|
1000 |
300 |
19 |
36 |
18 |
395.1 |
310 |
3.13 |
634000 |
16300 |
40.1 |
6.41 |
12700 |
1080 |
|||
|
1008 |
302 |
21 |
40 |
18 |
439.3 |
345 |
3.15 |
712000 |
18400 |
40.3 |
6.47 |
14100 |
1220 |
|||
|
HT ︵ 薄 壁 型 ︶ |
100×50 |
95 |
48 |
3.2 |
4.5 |
8 |
7.620 |
5.98 |
0.362 |
115 |
8.39 |
3.88 |
1.04 |
24.2 |
3.49 |
|
|
97 |
49 |
4 |
5.5 |
8 |
9.370 |
7.36 |
0.368 |
143 |
10.9 |
3.91 |
1.07 |
29.6 |
4.45 |
|||
|
100×100 |
96 |
99 |
4.5 |
6 |
8 |
16.20 |
12.7 |
0.565 |
272 |
97.2 |
4.09 |
2.44 |
56.7 |
19.6 |
||
|
125×60 |
118 |
58 |
3.2 |
4.5 |
8 |
9.250 |
7.26 |
0.448 |
218 |
14.7 |
4.85 |
1.26 |
37.0 |
5.08 |
||
|
120 |
59 |
4 |
5.5 |
8 |
11.39 |
8.94 |
0.454 |
271 |
19.0 |
4.87 |
1.29 |
45.2 |
6.43 |
|||
|
125×125 |
119 |
123 |
4.5 |
6 |
8 |
20.12 |
15.8 |
0.707 |
532 |
186 |
5.14 |
3.04 |
89.5 |
30.3 |
||
|
150×75 |
145 |
73 |
3.2 |
4.5 |
8 |
11.47 |
9.00 |
0.562 |
416 |
29.3 |
6.01 |
1.59 |
57.3 |
8.02 |
||
|
147 |
74 |
4 |
5.5 |
8 |
14.12 |
11.1 |
0.568 |
516 |
37.3 |
6.04 |
1.62 |
70.2 |
10.1 |
|||
|
150×100 |
139 |
97 |
3.2 |
4.5 |
8 |
13.43 |
10.6 |
0.646 |
476 |
68.6 |
5.94 |
2.25 |
68.4 |
14.1 |
||
|
142 |
99 |
4.5 |
6 |
8 |
18.27 |
14.3 |
0.657 |
654 |
97.2 |
5.98 |
2.30 |
92.1 |
19.6 |
|||
|
175×90 |
144 |
148 |
5 |
7 |
8 |
27.76 |
21.8 |
0.856 |
1090 |
378 |
6.25 |
3.69 |
151 |
51.1 |
||
|
147 |
149 |
6 |
8.5 |
8 |
33.67 |
26.4 |
0.864 |
1350 |
469 |
6.32 |
3.73 |
183 |
63.0 |
|||
|
175×175 |
168 |
88 |
3.2 |
4.5 |
8 |
13.55 |
10.6 |
0.668 |
670 |
51.2 |
7.02 |
1.94 |
79.7 |
11.6 |
||
|
171 |
89 |
4 |
6 |
8 |
17.58 |
13.8 |
0.676 |
894 |
70.7 |
7.13 |
2.00 |
105 |
15.9 |
|||
|
200×100 |
167 |
173 |
5 |
7 |
13 |
33.32 |
26.2 |
0.994 |
1780 |
605 |
7.30 |
4.26 |
213 |
69.9 |
||
|
172 |
175 |
6.5 |
9.5 |
13 |
44.64 |
35.0 |
1.01 |
2470 |
850 |
7.43 |
4.36 |
287 |
97.1 |
|||
|
200×150 |
193 |
98 |
3.2 |
4.5 |
8 |
15.25 |
12.0 |
0.758 |
994 |
70.7 |
8.07 |
2.15 |
103 |
14.4 |
||
|
200×200 |
196 |
99 |
4 |
6 |
8 |
19.78 |
15.5 |
0.766 |
1320 |
97.2 |
8.18 |
2.21 |
135 |
19.6 |
||
|
250×125 |
188 |
149 |
4.5 |
6 |
8 |
26.34 |
20.7 |
0.949 |
1730 |
331 |
8.09 |
3.54 |
184 |
44.4 |
||
|
250×175 |
192 |
198 |
6 |
8 |
13 |
43.69 |
34.3 |
1.14 |
3060 |
1040 |
8.37 |
4.86 |
319 |
105 |
||
|
300×150 |
244 |
124 |
4.5 |
6 |
8 |
25.86 |
20.3 |
0.961 |
2650 |
191 |
10.1 |
2.71 |
217 |
30.8 |
||
|
300×200 |
238 |
173 |
4.5 |
8 |
13 |
39.12 |
30.7 |
1.14 |
4240 |
691 |
10.4 |
4.20 |
356 |
79.9 |
||
|
350×175 |
294 |
148 |
4.5 |
6 |
13 |
31.90 |
25.0 |
1.15 |
4800 |
325 |
12.3 |
3.19 |
327 |
43.9 |
||
|
400×150 |
286 |
198 |
6 |
8 |
13 |
49.33 |
38.7 |
1.33 |
7360 |
1040 |
12.2 |
4.58 |
515 |
105 |
||
|
400×200 |
340 |
173 |
4.5 |
6 |
13 |
36.97 |
29.0 |
1.34 |
7490 |
518 |
14.2 |
3.74 |
441 |
59.9 |
||
|
390 |
148 |
6 |
8 |
13 |
47.57 |
37.3 |
1.34 |
11700 |
434 |
15.7 |
3.01 |
602 |
58.6 |
|||
|
390 |
198 |
6 |
8 |
13 |
55.57 |
43.6 |
1.54 |
14700 |
1040 |
16.2 |
4.31 |
752 |
105 |
|||
|
类别 |
型号 (高度×宽度)/mm×mm |
截面尺寸/mm |
截面 面积/cm2 |
理论 质量 /(kg/m) |
惯性距/cm4 |
惯性半径/cm |
截面模数/cm3 |
表面 面积 /(m2/m) |
|||||||
|
H |
B |
t1 |
t2 |
r |
Ix |
Iy |
ix |
iy |
Wx |
Wy |
|||||
|
H 型 钢 桩 HP ︵ 桩 型 ︶ |
200×200 |
200 |
200 |
8 |
12 |
13 |
63.53 |
49.9 |
4720 |
1600 |
8.61 |
5.02 |
472 |
160 |
1.16 |
|
250×250 |
250 |
250 |
9 |
14 |
13 |
91.43 |
71.8 |
10700 |
3650 |
10.8 |
6.31 |
860 |
292 |
1.46 |
|
|
300×300 |
300 |
300 |
10 |
15 |
13 |
118.5 |
93.0 |
20200 |
6750 |
13.1 |
7.55 |
1350 |
450 |
1.76 |
|
|
350×350 |
344 |
348 |
10 |
16 |
13 |
144.0 |
113 |
32800 |
11200 |
15.1 |
8.83 |
1910 |
646 |
2.04 |
|
|
350 |
350 |
12 |
19 |
13 |
171.9 |
135 |
39800 |
13600 |
15.2 |
8.88 |
2280 |
776 |
2.05 |
||
|
400×400 |
400 |
400 |
13 |
21 |
22 |
218.7 |
172 |
66600 |
22400 |
17.5 |
10.1 |
3330 |
1120 |
2.34 |
|
|
400 |
408 |
21 |
21 |
22 |
250.7 |
197 |
70900 |
23800 |
16.8 |
9.74 |
3540 |
1170 |
2.35 |
||
|
414 |
405 |
18 |
28 |
22 |
295.4 |
232 |
92800 |
31000 |
17.7 |
10.2 |
4480 |
1530 |
2.37 |
||
|
428 |
407 |
20 |
35 |
22 |
360.7 |
283 |
11900 |
39400 |
18.2 |
10.4 |
5570 |
1930 |
2.41 |
||
|
458 |
417 |
30 |
50 |
22 |
528.6 |
415 |
18700 |
60500 |
18.8 |
10.7 |
8170 |
2900 |
2.49 |
||
|
498 |
432 |
45 |
70 |
22 |
770.1 |
604 |
29800 |
94400 |
19.7 |
11.1 |
12000 |
4370 |
2.60 |
||
剖分T型钢(GB/T 11263—2017) | |
| h———高度 B———宽度 t1———腹板厚度 t2———翼缘厚度 CX———质心距离 r———圆角半径 标记:T 后加高度×宽度×腹板厚度×翼缘厚度 如:T200×400×13×21 |
类别 | 型号 (高度×宽度) /mm×mm | 截面尺寸/mm | 截面面积/cm2 | 理论质量/(kg/m) | 表面积 (m2/m) | 惯性矩/cm4 | 惯性半径/cm | 截面模数/cm3 | 质心Cx/cm | 对应H型钢系列型号 | |||||||
h | B | t1 | t2 | r | Ix | Iy | ix | iy | Wx | Wy | |||||||
TW | 50×100 | 50 | 100 | 6 | 8 | 8 | 10.79 | 8.47 | 0.293 | 16.1 | 66.8 | 1.22 | 2.84 | 4.02 | 13.4 | 1.00 | 100×100 |
62.5×125 | 62.5 | 125 | 6.5 | 9 | 8 | 15 | 11.8 | 0.368 | 35.0 | 147 | 1.52 | 3.12 | 6.91 | 23.5 | 1.19 | 125×125 | |
75×150 | 75 | 150 | 7 | 10 | 8 | 19.82 | 15.6 | 0.443 | 66.4 | 282 | 1.82 | 3.76 | 10.8 | 37.5 | 1.37 | 150×150 | |
87.5×175 | 87.5 | 175 | 7.5 | 11 | 13 | 25.71 | 20.2 | 0.514 | 115 | 492 | 2.11 | 4.37 | 15.9 | 56.2 | 1.55 | 175×175 | |
100×200 | 100 | 200 | 8 | 12 | 13 | 31.77 | 24.9 | 0.589 | 184 | 801 | 2.40 | 5.02 | 22.3 | 80.1 | 1.73 | 200×200 | |
100 | 204 | 12 | 12 | 13 | 35.77 | 28.1 | 0.597 | 256 | 851 | 2.67 | 4.87 | 32.4 | 83.4 | 2.09 | |||
125×250 | 125 | 250 | 9 | 14 | 13 | 45.72 | 35.9 | 0.739 | 412 | 1820 | 3.00 | 6.31 | 39.5 | 146 | 2.08 | 250×250 | |
125 | 255 | 14 | 14 | 13 | 51.97 | 40.8 | 0.749 | 589 | 1940 | 3.36 | 6.10 | 59.4 | 152 | 2.58 | |||
150×300 | 147 | 302 | 12 | 12 | 13 | 53.17 | 41.7 | 0.887 | 857 | 2760 | 4.01 | 7.20 | 72.3 | 183 | 2.85 | 300×300 | |
150 | 300 | 10 | 15 | 13 | 59.23 | 46.5 | 0.889 | 798 | 3380 | 3.67 | 7.55 | 63.7 | 225 | 2.47 | |||
150 | 305 | 15 | 15 | 13 | 66.73 | 52.4 | 0.899 | 1110 | 3550 | 4.07 | 7.29 | 92.5 | 233 | 3.04 | |||
175×350 | 172 | 348 | 10 | 16 | 13 | 72.01 | 56.5 | 1.03 | 1230 | 5620 | 4.13 | 8.83 | 84.7 | 323 | 2.67 | 350×350 | |
175 | 350 | 12 | 19 | 13 | 85.95 | 67.5 | 1.04 | 1520 | 6790 | 4.20 | 8.88 | 104 | 388 | 2.87 | |||
200×400 | 194 | 402 | 15 | 15 | 22 | 89.23 | 70.0 | 1.17 | 2480 | 8130 | 5.27 | 9.54 | 158 | 404 | 3.70 | 400×400 | |
197 | 398 | 11 | 18 | 22 | 93.41 | 73.3 | 1.17 | 2050 | 9460 | 4.67 | 10.1 | 123 | 475 | 3.01 | |||
200 | 400 | 13 | 21 | 22 | 109.35 | 85.8 | 1.18 | 2480 | 11200 | 4.75 | 10.1 | 147 | 560 | 3.21 | |||
200 | 408 | 21 | 21 | 22 | 125.35 | 98.4 | 1.2 | 3650 | 11900 | 5.39 | 9.74 | 229 | 584 | 4.07 | |||
207 | 405 | 18 | 28 | 22 | 147.7 | 116 | 1.21 | 3620 | 15500 | 4.95 | 10.2 | 213 | 766 | 3.68 | |||
214 | 407 | 20 | 35 | 22 | 180.33 | 142 | 1.22 | 4380 | 19700 | 4.92 | 10.4 | 250 | 967 | 3.90 | |||
TM | 75×100 | 74 | 100 | 6 | 9 | 8 | 13.17 | 10.3 | 0.341 | 51.7 | 75.2 | 1.98 | 2.38 | 8.84 | 15.0 | 1.56 | 150×100 |
100×150 | 97 | 150 | 6 | 9 | 8 | 19.05 | 15.0 | 0.487 | 124 | 253 | 2.55 | 3.64 | 15.8 | 33.8 | 1.80 | 200×150 | |
125×175 | 122 | 175 | 7 | 11 | 13 | 27.75 | 21.8 | 0.583 | 288 | 492 | 3.22 | 4.21 | 29.1 | 56.2 | 2.28 | 250×175 | |
150×200 | 147 | 200 | 8 | 12 | 13 | 35.53 | 27.9 | 0.683 | 571 | 801 | 4.00 | 4.74 | 48.2 | 80.1 | 2.85 | 300×200 | |
149 | 201 | 9 | 14 | 13 | 41.01 | 32.2 | 0.689 | 661 | 949 | 4.01 | 4.80 | 55.2 | 94.4 | 2.92 | |||
175×250 | 170 | 250 | 9 | 14 | 13 | 49.77 | 39.1 | 0.829 | 1020 | 1820 | 4.51 | 6.05 | 73.2 | 146 | 3.11 | 350×250 | |
200×300 | 195 | 300 | 10 | 16 | 13 | 66.63 | 52.3 | 0.979 | 1730 | 3600 | 5.09 | 7.35 | 108 | 240 | 3.43 | 400×300 | |
225×300 | 220 | 300 | 11 | 18 | 13 | 76.95 | 60.4 | 1.03 | 2680 | 4050 | 5.89 | 7.25 | 150 | 270 | 4.09 | 450×300 | |
250×300 | 241 | 300 | 11 | 15 | 13 | 70.59 | 55.4 | 1.07 | 3400 | 3380 | 6.93 | 6.91 | 178 | 225 | 5.00 | 500×300 | |
244 | 300 | 11 | 18 | 13 | 79.59 | 62.5 | 1.08 | 3610 | 4050 | 6.73 | 7.13 | 184 | 270 | 4.72 | |||
275×300 | 272 | 300 | 11 | 15 | 13 | 74 | 58.1 | 1.13 | 4790 | 3380 | 8.04 | 6.75 | 225 | 225 | 5.96 | 550×300 | |
275 | 300 | 11 | 18 | 13 | 83 | 65.2 | 1.14 | 5090 | 4050 | 7.82 | 6.98 | 232 | 270 | 5.59 | |||
300×300 | 291 | 300 | 12 | 17 | 13 | 84.61 | 66.4 | 1.17 | 6320 | 3830 | 8.64 | 6.72 | 280 | 255 | 6.51 | 600×300 | |
294 | 300 | 12 | 20 | 13 | 93.61 | 73.5 | 1.18 | 6680 | 4500 | 8.44 | 6.93 | 288 | 300 | 6.17 | |||
297 | 302 | 14 | 23 | 13 | 108.55 | 85.2 | 1.19 | 7890 | 5290 | 8.52 | 6.97 | 339 | 350 | 6.41 | |||
TN | 50×50 | 50 | 50 | 5 | 7 | 8 | 5.92 | 4.65 | 0.193 | 11.8 | 7.39 | 1.41 | 1.11 | 3.18 | 2.95 | 1.28 | 100×50 |
62.5×60 | 62.5 | 60 | 6 | 8 | 8 | 8.34 | 6.55 | 0.238 | 27.5 | 14.6 | 1.81 | 1.32 | 5.96 | 4.85 | 1.64 | 125×60 | |
75×75 | 75 | 75 | 5 | 7 | 8 | 8.92 | 7.00 | 0.293 | 42.6 | 24.7 | 2.18 | 1.66 | 7.46 | 6.59 | 1.79 | 150×75 | |
87.5×90 | 85.5 | 89 | 4 | 6 | 8 | 8.79 | 6.90 | 0.342 | 53.7 | 35.3 | 2.47 | 2.00 | 8.02 | 7.94 | 1.86 | 175×90 | |
87.5 | 90 | 5 | 8 | 8 | 11.45 | 8.98 | 0.348 | 70.6 | 48.7 | 2.48 | 2.06 | 10.4 | 10.8 | 1.93 | |||
100×100 | 99 | 99 | 4.5 | 7 | 8 | 11.34 | 8.90 | 0.389 | 93.5 | 56.7 | 2.87 | 2.23 | 12.1 | 11.5 | 2.17 | 200×100 | |
100 | 100 | 5.5 | 8 | 8 | 13.33 | 10.5 | 0.393 | 114 | 66.9 | 2.92 | 2.23 | 14.8 | 13.4 | 2.31 | |||
125×125 | 124 | 124 | 5 | 8 | 8 | 15.99 | 12.6 | 0.489 | 207 | 127 | 3.59 | 2.82 | 21.3 | 20.5 | 2.66 | 250×125 | |
125 | 125 | 6 | 9 | 8 | 18.48 | 14.5 | 0.493 | 248 | 147 | 3.66 | 2.81 | 25.6 | 23.5 | 2.81 | |||
150×150 | 149 | 149 | 5.5 | 8 | 13 | 20.4 | 16.0 | 0.585 | 393 | 221 | 4.39 | 3.29 | 33.8 | 29.7 | 3.26 | 300×150 | |
150 | 150 | 6.5 | 9 | 13 | 23.39 | 18.4 | 0.589 | 464 | 254 | 4.45 | 3.29 | 40.0 | 33.8 | 3.41 | |||
175×175 | 173 | 174 | 6 | 9 | 13 | 26.23 | 20.6 | 0.683 | 679 | 396 | 5.08 | 3.88 | 50.0 | 45.5 | 3.72 | 350×175 | |
175 | 175 | 7 | 11 | 13 | 31.46 | 24.7 | 0.689 | 814 | 492 | 5.08 | 3.95 | 59.3 | 56.2 | 3.76 | |||
200×200 | 198 | 199 | 7 | 11 | 13 | 35.71 | 28.0 | 0.783 | 1190 | 723 | 5.77 | 4.50 | 76.4 | 72.7 | 4.20 | 400×200 | |
200 | 200 | 8 | 13 | 13 | 41.69 | 32.7 | 0.789 | 1390 | 868 | 5.78 | 4.56 | 88.6 | 86.8 | 4.26 | |||
225×150 | 223 | 150 | 7 | 12 | 13 | 33.49 | 26.3 | 0.735 | 1570 | 338 | 6.84 | 3.17 | 93.7 | 45.1 | 5.54 | 450×150 | |
225 | 151 | 8 | 14 | 13 | 38.74 | 30.4 | 0.741 | 1830 | 403 | 6.87 | 3.22 | 108 | 53.4 | 5.62 | |||
225×200 | 223 | 199 | 8 | 12 | 13 | 41.49 | 32.6 | 0.833 | 1870 | 789 | 6.71 | 4.36 | 109 | 79.3 | 5.15 | 450×200 | |
225 | 200 | 9 | 14 | 13 | 47.72 | 37.5 | 0.839 | 2150 | 935 | 6.71 | 4.42 | 124 | 93.5 | 5.19 | |||
237.5×150 | 235 | 150 | 7 | 13 | 13 | 35.76 | 28.1 | 0.759 | 1850 | 367 | 7.18 | 3.20 | 104 | 48.9 | 7.50 | 475×150 | |
237.5 | 151.5 | 8.5 | 15.5 | 13 | 43.07 | 33.8 | 0.767 | 2270 | 451 | 7.25 | 3.23 | 128 | 59.5 | 7.57 | |||
241 | 153.5 | 10.5 | 19 | 13 | 53.2 | 41.8 | 0.778 | 2860 | 575 | 7.33 | 3.28 | 160 | 75.0 | 7.67 | |||
250×150 | 246 | 150 | 7 | 12 | 13 | 35.1 | 27.6 | 0.781 | 2060 | 339 | 7.66 | 3.10 | 113 | 45.1 | 6.36 | 500×150 | |
250 | 152 | 9 | 16 | 13 | 46.1 | 36.2 | 0.793 | 2750 | 470 | 7.71 | 3.19 | 149 | 61.9 | 6.53 | |||
252 | 153 | 10 | 18 | 13 | 51.66 | 40.6 | 0.799 | 3100 | 540 | 7.74 | 3.23 | 167 | 70.5 | 6.62 | |||
250×200 | 248 | 199 | 9 | 14 | 13 | 49.65 | 39.0 | 0.883 | 2820 | 921 | 7.54 | 4.30 | 150 | 92.6 | 5.97 | 500×200 | |
250 | 200 | 10 | 16 | 13 | 56.13 | 44.1 | 0.889 | 3200 | 1070 | 7.54 | 4.36 | 169 | 107 | 6.03 | |||
253 | 201 | 11 | 19 | 13 | 64.66 | 50.8 | 0.897 | 3660 | 1290 | 7.52 | 4.46 | 189 | 128 | 6.00 | |||
275×200 | 273 | 199 | 9 | 14 | 13 | 51.9 | 40.7 | 0.933 | 3690 | 921 | 8.43 | 4.21 | 180 | 92.6 | 6.85 | 550×200 | |
275 | 200 | 10 | 16 | 13 | 58.63 | 46.0 | 0.939 | 4180 | 1070 | 8.44 | 4.27 | 203 | 107 | 6.89 | |||
300×200 | 298 | 199 | 10 | 15 | 13 | 58.88 | 46.2 | 0.983 | 5150 | 988 | 9.35 | 4.09 | 235 | 99.3 | 7.92 | 600×200 | |
300 | 200 | 11 | 17 | 13 | 65.86 | 51.7 | 0.989 | 5770 | 1140 | 9.35 | 4.15 | 262 | 114 | 7.95 | |||
303 | 201 | 12 | 20 | 13 | 74.89 | 58.8 | 0.997 | 6530 | 1360 | 9.33 | 4.25 | 291 | 135 | 7.88 | |||
312.5×200 | 312.5 | 198.5 | 11.5 | 17.5 | 13 | 69.38 | 54.5 | 1.01 | 6690 | 1140 | 9.81 | 4.06 | 294 | 115 | 9.92 | 625×200 | |
315 | 200 | 13 | 20 | 13 | 79.07 | 62.1 | 1.02 | 7680 | 1340 | 9.85 | 4.11 | 336 | 134 | 10.0 | |||
319 | 202 | 15 | 24 | 13 | 93.45 | 73.6 | 1.03 | 9140 | 1660 | 9.89 | 4.21 | 395 | 164 | 10.1 | |||
325×300 | 323 | 299 | 10 | 15 | 12 | 76.27 | 59.9 | 1.23 | 7220 | 3340 | 9.73 | 6.62 | 289 | 224 | 7.28 | 650×300 | |
325 | 300 | 11 | 17 | 13 | 85.61 | 67.2 | 1.23 | 8090 | 3830 | 9.71 | 6.68 | 321 | 255 | 7.29 | |||
328 | 301 | 12 | 20 | 13 | 97.89 | 76.8 | 1.24 | 9120 | 4550 | 9.65 | 6.81 | 356 | 302 | 7.20 | |||
350×300 | 346 | 300 | 13 | 20 | 13 | 103.11 | 80.9 | 1.28 | 1120 | 4510 | 10.4 | 6.61 | 424 | 300 | 8.12 | 700×300 | |
350 | 300 | 13 | 24 | 13 | 115.11 | 90.4 | 1.28 | 1200 | 5410 | 10.2 | 6.85 | 438 | 360 | 7.65 | |||
400×300 | 396 | 300 | 14 | 22 | 18 | 119.75 | 94.0 | 1.38 | 1760 | 4960 | 12.1 | 6.43 | 592 | 331 | 9.77 | 800×300 | |
400 | 300 | 14 | 26 | 18 | 131.75 | 103 | 1.38 | 1870 | 5860 | 11.9 | 6.66 | 610 | 391 | 9.27 | |||
450×300 | 445 | 299 | 15 | 23 | 18 | 133.46 | 105 | 1.47 | 2590 | 5140 | 13.9 | 6.20 | 789 | 344 | 11.7 | 900×300 | |
450 | 300 | 16 | 28 | 18 | 152.91 | 120 | 1.48 | 2910 | 6320 | 13.8 | 6.42 | 865 | 421 | 11.4 | |||
456 | 302 | 18 | 34 | 18 | 180.03 | 141 | 1.50 | 3410 | 7830 | 13.8 | 6.59 | 997 | 518 | 11.3 | |||
回顶部
微信扫码分享

