材料制品
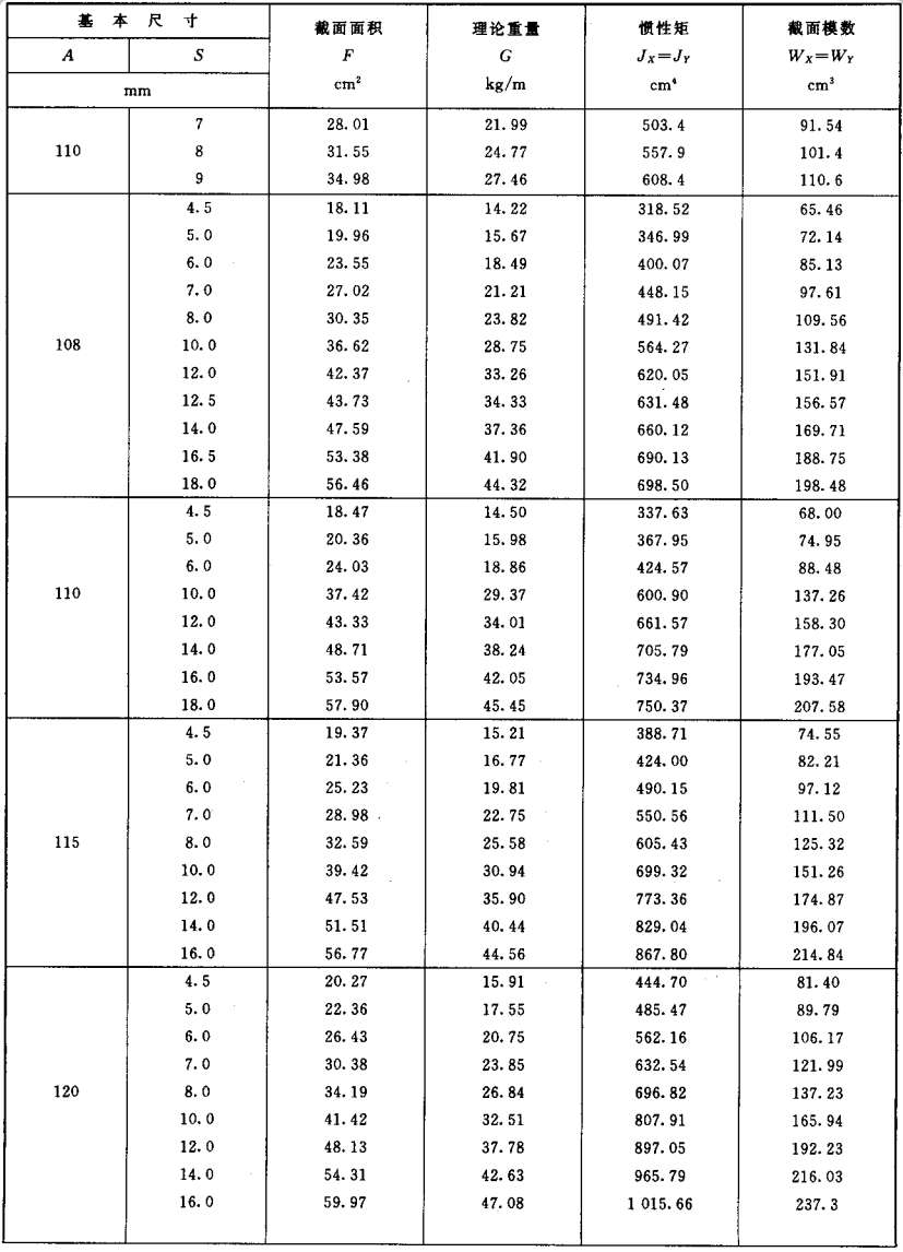
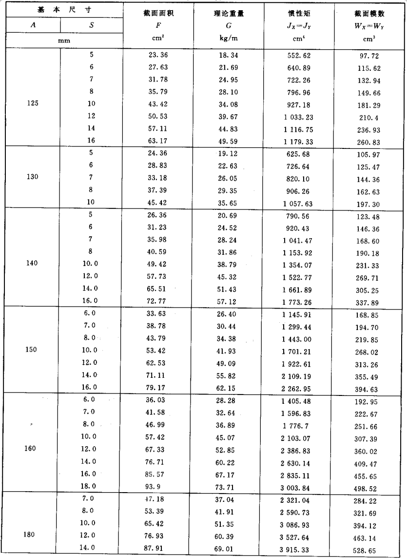
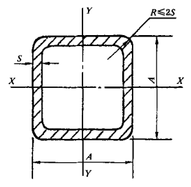
摘自《GB/T 3094-2000 冷拔异形钢管》
schaeffler·舍弗勒
CPC·直得科技
tst
toyo·东佑达
KELLER
力姆泰克
SMC
EMERSON·艾默生(AFAG)
富士电机
核工弹簧
hyundai·现代机器人
SAMICK·三益精工
回顶部
微信扫码分享