一个机械设计从业人员业余时间制作的网站
注册
Ctrl + D 收藏本站

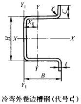
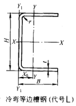
冷弯开口型钢

  • 1.按GB/T6725-2002冷弯型钢用钢材的牌号和化学成分(熔炼分析)应符合GB/T699、GB/T700、GB/T 1591.CB/T4171、CB/T4239等标准的规定。根据需方要求也可提供钢材成品化学成分。
  • 2.冷夸型钢一般不进行力学性能和工艺性能试验,按需方要求并在合同中注明,可在原料钢带上进行力学性能及工艺性能试验,并应符合相应标准的规定。
  • 3.冷弯型钢以冷加工状态交货。通常长度为4-9m。

回顶部

error: