一个机械设计从业人员业余时间制作的网站
注册
Ctrl + D 收藏本站

标牌铆钉

标记示例:

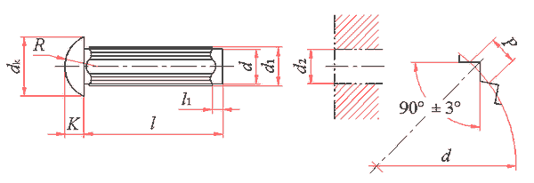
公称直径d3mm、公称长度l10mm、材料为BL2、不经表面处理的标牌铆钉的标记:

铆钉  GB/T 827  3×10

d

公称

dk

K

d1

min

P

l1

R

d2(推荐)

l

max

min

max

min

max

min

(1.6)

3.2

2.8

1.2

0.8

1.75

0.72

1

1.6

1.56

1.5

36

2

3.74

3.26

1.4

1.0

2.15

0.72

1

1.9

1.96

1.9

38

2.5

4.84

4.36

1.8

1.4

2.65

0.72

1

2.5

2.46

2.4

310

3

5.54

5.06

2.0

1.6

3.15

0.72

1

2.9

2.96

2.9

412

4

7.39

6.81

2.6

2.2

4.15

0.84

1.5

3.8

3.96

3.9

618

5

9.09

8.51

3.2

2.8

5.15

0.92

1.5

4.7

4.96

4.9

820

公称长度l的商品规格系列:                                               mm

公称

3

4

5

6

8

10

12

15

18

20

min

2.8

3.76

4.76

5.76

7.71

9.71

11.65

14.65

17.65

19.58

max

3.2

4.24

5.24

6.24

8.29

10.29

12.35

15.35

18.35

20.42

尽可能不采用括号内的规格。

回顶部

error: