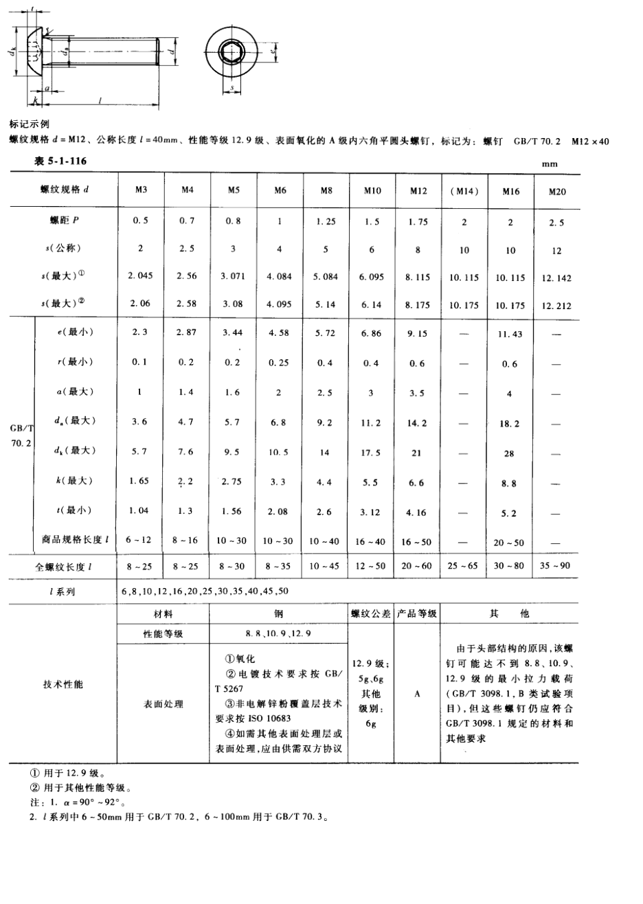
螺纹连接件
Burkert·宝帝流体
Eletta·艾力塔
远东弹簧
Jergens·杰根斯
伟奋实业
partsCAD
FANUC·发那科
ZWZ·瓦房店轴承
蚂蚁工场
CPC·直得科技
NMB·美蓓亚三美
GSK·广州数控
回顶部
微信扫码分享